門扣
阻尼齒輪、阻尼器
卡扣
R形鉚釘
螺絲/螺母/錘釘/減震器
地毯扣/墊片/護套
固定扣
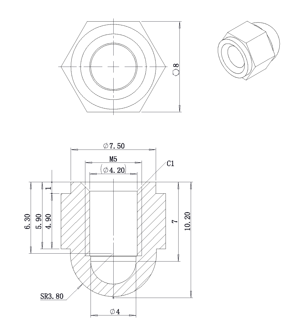
隔離柱/絕緣柱/蓋扣
膠釘/保護帽/膨脹螺絲
軟管夾/直通管
固定頭/固定座
固定座/線束座/束線帶
用于塑膠螺紋結構固定用。
具有優(yōu)良電絕緣性能,耐化學腐蝕性好。
用于塑膠螺紋結構固定用。
具有優(yōu)良電絕緣性能,耐化學腐蝕性好。

全國服務熱線:
189-3820-0309(微信同步) 189-2551-2962(微信同步)

www.daiyh.cn
版權所有 All Rights Reserved ?2022 東莞禾盈通用零部件有限公司 備案號:粵ICP備18110938號
廖先生:18925512962 gt6@heyingcn.com
一站式工業(yè)零部件服務平臺。
推動全球工業(yè)零部件標準化。
東莞塑膠零部件|塑膠五金|精密模具|精密注塑|裝修布線|音響器械|旋鈕|按鈕|推鈕|按鍵|傳感器|電位器|開關|鉚釘|螺絲|螺母|墊片|固定扣|隔離柱|PCB板間隔柱|LED配件|腳輪|腳墊|體溫槍|椰子拉環(huán)|拉釘|束線座|束線帶|扎帶|一體化卡塊|對講機天線|膨脹螺絲|通訊外殼|電源外殼
